$$$$
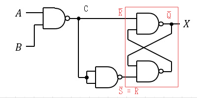
赤い部分はRSフリップフロップ回路。NAND回路で作成しているのでNOR回路の入出力は反転している。論理回路参照。 $$$$
| $$\overline{R}$$ | $$\overline{S}$$ | $$\overline{Q^{n+1}}$$ |
|---|---|---|
| 0 | 0 | 不定 |
| 0 | 1 | 1 |
| 1 | 0 | 0 |
| 1 | 1 | $$\overline{Q^n}$$ |
| A | B | $$C =\overline{R}$$ | $$X = \overline{Q}$$ |
|---|---|---|---|
| 0 | 0 | 1 | 0 |
| 0 | 1 | 1 | 0 |
| 1 | 0 | 1 | 0 |
| 1 | 1 | 0 | 1 |
各ビットごとの演算。論理演算参照
$$A \cdot B = (1000 0001)_2$$ $$A + B = (1110 0111)_2$$ $$A \oplus B = (0110 0110)_2$$ $$\overline{A \cdot B} = (0111 1110)_2$$2進数を16進数に変換する。n進数の基礎参照
Ans.(2)
(a)
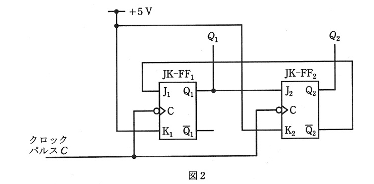
J-KフリップフロップにはJとKの二つの入力、QとQ(Qの否定)の二つの出力を持つ。
| Jn | Kn | Qn+1 |
|---|---|---|
| 0 | 0 | Qn |
| 0 | 1 | 1 |
| 1 | 0 | 0 |
| 1 | 1 | Qn |
Ans.(4)
(b)クロックパルスの立下り↓で出力が変化する。
Ans.(5)
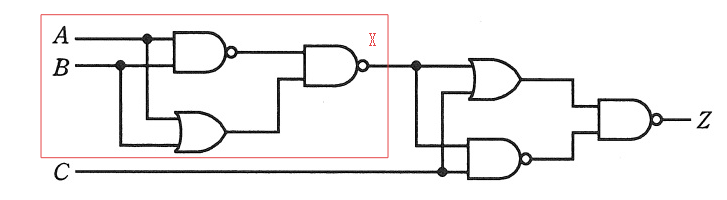
入力A,B 出力X と、入力X,C 出力Zの回路に分けて考えてみる。
| $$A$$ | $$B$$ | $$X$$ |
|---|---|---|
| 0 | 0 | 1 |
| 0 | 1 | 0 |
| 1 | 0 | 0 |
| 1 | 1 | 1 |
| $$X$$ | $$C$$ | $$Z$$ |
|---|---|---|
| 0 | 0 | 1 |
| 0 | 1 | 0 |
| 1 | 0 | 0 |
| 1 | 1 | 1 |
二つの真理値表を合わせる。例えばA=0,B=0,C=0の時は、A=0,B=0でXは1、X=1,C=0でZ=0。
| $$A$$ | $$B$$ | X | C | $$Z$$ |
|---|---|---|---|---|
| 0 | 0 | 1 | 0 | 0 |
| 0 | 0 | 1 | 1 | 1 |
| 0 | 1 | 0 | 0 | 1 |
| 0 | 1 | 0 | 1 | 0 |
| 1 | 0 | 0 | 0 | 1 |
| 1 | 0 | 0 | 1 | 0 |
| 1 | 1 | 1 | 0 | 0 |
| 1 | 1 | 1 | 1 | 1 |
Ans.(1)
ド・モルガンの定理を使用。論理演算参照
$$\overline{A+B} = \overline{A} \cdot \overline{B},\overline{A \cdot B} = \overline{A} + \overline{B}$$ (a)$$NANDのみの場合は\overline{A+B} = \overline{A} \cdot \overline{B}$$
を使ってORをANDに変換する。論理回路参照。
$$X' = \overline{\overline{X'}} = \overline{\overline{\overline A \cdot \overline B+\overline B \cdot D }}$$ $$= \overline{(\overline{\overline A \cdot \overline B})) \cdot (\overline{\overline B \cdot D })}$$ Ans.(5) (b)$$NORのみの場合は\overline{A \cdot B} = \overline{A} + \overline{B}を使って$$ANDをORに変換する
$$\overline{\overline{\overline A \cdot \overline B}} = \overline{\overline{\overline A} + \overline{\overline B}} = \overline{ A \cdot B} $$ $$\overline A \cdot \overline B+\overline B \cdot D = (\overline{ A + B}) + (\overline{ B + \overline D})$$ $$出力が否定の形になってないので、二重否定する$$ $$= \overline{\overline{(\overline{ A + B}) + (\overline{ B + \overline D})}}$$ $$$$ Ans.(3)
カルノー図を使って論理式を簡略化する。論理演算参照。カルノー図で隣り合う(2つ・4つ・8つ等)論理式は簡略化できる。
$$青枠の4つはCDがどの値でもXは1なので、\overline A \cdot \overline B$$
$$橙枠の2つはDがどの値でも1なので、A \cdot B \cdot C$$
$$赤枠の4つはBCがどの値でも1なので、\overline A \cdot \overline D$$
Ans.(3)