close

電子回路

半導体

導体と絶縁体の両方の性質を持つ。温度によって絶縁性能が変化する。SiやGeの4価の元素が半導体素子に使われる。

p型半導体

4価の元素に3価の元素を微量に加えた半導体。加える不純物をアクセプタという。加えた元素は電子が一つすくないため、結晶内部に正孔(ホール)ができる。その影響で電流が流れやすくなる。pはポジティブ(positive)の頭文字。

n型半導体

4価の元素に5価の元素を微量に加えた半導体。加える不純物をドナーという。加えた元素は電子が一つ多いため、結晶内部に自由電子ができる。その影響で電流が流れやすくなる。nはネガティブ(negative)の頭文字。

2009年理論問11

$$X族の元素をドープした半導体はn型。$$ $$Ans.(3)$$ $$$$ $$$$ $$$$ $$$$

導体

自由電子が多く電気を通しやすい物質。

不導体(絶縁体)

自由電子が少なく電気を通さない物質

ダイオード

整流(電流を一定方向にしか流さない)作用を持つ二端子(アノード、カソード)電子素子。半導体ダイオードはn型半導体とp型半導体を接合させてある。p型側がアノード(陽極)、n型側がカソード(陰極)、アノードからカソードへは電流を流すが、カソードからアノードへはほとんど流さない。

トランジスタ

信号を増幅またはスイッチングすることができる三端子(エミッタ、ベース、コレクタ)半導体素子。n型半導体とp型半導体をNPN接合したものが一般的。n型半導体側がエミッタ・コレクタ、p型半導体側がベース。

増幅作用

エミッタベース間の電流がエミッタコレクタ間に増幅されて流れる。

スイッチング作用

エミッタベース間の電流によってエミッタコレクタ間の電流を制御する。

サイリスタ

主にゲート (G) からカソード (C) へゲート電流を流すことにより、アノード (A) とカソード (C) 間を導通させることが出来る3端子の半導体素子。半導体をPNPN接合したもの。

2008年理論問11

$$pn結合部に太陽光を当てると、正孔と電子ができる。$$ $$正孔はp型領域へ電子はn型領域へ移動することで起電力が発生する。$$ $$Ans.(2)$$

2014年理論問12

定電圧ダイオードはダイオードにみられる逆電圧・電流特性の急激な降伏現象を利用 $$Ans.(4)$$

2011年理論問11

図に示すMOS電界効果トランジスタ(MOSFET)は、p型基板表面にn型のソースとドレーン領域が形成されている。また、ゲート電極は、ソースとドレーン間のp型基板表面上に薄い酸化被膜の絶縁層(ゲート酸化膜)を介してくつられている。ソースSとp型基板の電位を接地電位とし、ゲートGにしきい値電圧以上のせいの電圧VLGSを加えることで、絶縁層を隔てたp型基板表面近くでは、正孔が除去され、チャンネルと呼ばれる電子のうすい層ができる。これによりソースSとドレーンDが接続される。このVLGSを上昇させるとドレーン電流IDは増加する。

またこのFETはnチャンネルMOSFETと呼ばれている。

トランジスタ増幅回路

ベース接地回路

トランジスタ増幅回路 ベース接地回路

高周波用、同相増幅

入力インピーダンス:非常に低い、出力インピーダンス:非常に高い、電圧利得:大きい、電流利得:1以下

エミッタ接地回路

トランジスタ増幅回路 エミッタ接地回路

一般的、逆相増幅

入力インピーダンス:やや低い、出力インピーダンス:やや高い、電圧利得:大きい、電流利得:大きい

コレクタ接地回路

トランジスタ増幅回路 コレクタ接地回路

バッファ用、同相増幅

入力インピーダンス:高い、出力インピーダンス:低い、電圧利得:1以下、電流利得:大きい

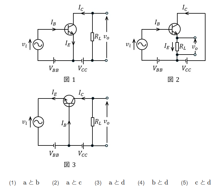
2008年理論問13 2008年理論問13

a.図1はエミッタ接地回路で出力は逆相

b.図2はコレクタ接地回路

c.図2は別名エミッタフォロワ

d.図3はベース接地回路。電流利得は1以下

Ans.(2)

2015年理論問13

A級電力増幅回路:すべての入力波形を出力する。低効率、低周波数用。

B級電力増幅回路:半分の入力波形を出力する。低周波用

A級電力増幅回路:一部の入力波形を出力する。高効率、高周波用

コレクタ損失は、コレクタ電流とコレクタ・エミッタ間電圧の積

Ans.(1)

2009年理論問13 2009年理論問13 $$V_{DS} + RI_D - E_2 = 0$$ $$I_D = \frac{E_2}{R} - \frac{V_{DS}}{R} = 0.01 - \frac{V_{DS}}{1.2 \times 10^3}$$ $$図2にI_D の直線を引くと$$ 2009年理論問13 $$V_{GS}とI_Dの交点を読む$$ $$Ans.(4)$$

トランジスタ 等価回路

トランジスタ増幅回路 等価回路

$$v_B = h_{ie}i_B + h_{re}v_C$$

$$i_C = h_{fe}i_B + h_{oe}v_C$$

$$h_{ie}:ベースから見た入力インピーダンス$$

$$h_{re}:コレクタからベースへの電圧伝送比$$

$$h_{fe}:ベースからコレクタへの電流増幅率$$

$$h_{oe}:コレクタから見た出力アドミタンス$$

オペアンプ

演算増幅器とも呼ばれ、入力2端子(+端子と−端子の電位差が入力電圧)1出力の素子。入力電圧を増幅して出力する。

差動利得μ$$ \mu = \frac{出力電圧}{(+端子の電圧) ‐ (-端子の電圧)}$$

電圧利得[dB] 20 log_{10}(\frac{出力電圧}{入力電圧})

演算増幅器は、その二つの入力端子に加えられた信号の差動成分を高い利得で増幅する回路である。演算増幅器の入力インピーダンスは極めて大きいため、入力端子電流はほぼ零とみなしてよい。一方、演算増幅器の出力インピーダンスは非常に小さいため、その出力電圧は負荷による影響を受けにくい。さらに、演算増幅器は利得が非常に大きいため、抵抗などの部品を用いて負帰還をかけたときに安定した有限の電圧利得が得られる。

逆相増幅回路

オペアンプ 逆相増幅回路

$$\frac{V_2}{V_1} = - \frac{R_2}{R_1 + \frac{1}{\mu}(R_1 + R_2)}$$

$$\mu = ∞の場合、\frac{V_2}{V_1} = - \frac{R_2}{R_1}$$

正相増幅回路

オペアンプ 正相増幅回路

$$\frac{V_2}{V_1} = \frac{R_1 + R_2}{R_1 + \frac{1}{\mu}(R_1 + R_2)}$$

$$\mu = ∞の場合、\frac{V_2}{V_1} = \frac{R_1 + R_2}{R_1}$$

2014年理論問13

$$理想的な演算増幅器の場合$$ $$入力端子間の電圧は0$$ $$入力インピーダンスが∞なので入力電流は0$$ $$20[k Ω]に流れる電流は I = \frac{5-3}{20 \times 10^3} = 1 \times 10^{-3}$$ $$V_{OUT} - 5 = I \times 10 \times 10^3$$ $$V_{OUT} = 6 Ans.(4)$$

2015年理論問18 2015年理論問18

$$左の演算増幅器の増幅率\frac{V_{OUT}}{V_{IN}}は - \frac{100}{20} = -5,$$ $$右の増幅率は - \frac{90}{30} = -3。二つ合わせると15。V_O = 0.5 \times 15 = 7.5[V]$$ $$電圧利得A_V = 20 log_{10} (15) = 20 log_{10} (\frac{3 \times 10}{2})$$ $$= 20\{ log_{10}3+log_{10}10-log_{10}2\}$$ $$= 20(0.477 + 1 - 0.301) = 23.52$$ $$Ans.(5)$$

電気回路[直流]/ 電磁気学/ 電気回路[交流]/ 電気回路[三相交流]/ 電子回路

科学の部屋[工学・化学]